豪华紧凑SUV大横评,20万-40万元的年轻之选!(中)
2023-10-18 13:28:44
车载信息娱乐系统介绍
车载信息娱乐系统,顾名思义就是为车内人员提供信息娱乐功能的系统,娱乐系统从最早期的只有收音机和蓝牙电话功能且无屏幕,发展到如今功能越来越多,屏幕越来越大,系统越来越庞大复杂,同时在车内地位越来越重要,下面就从娱乐系统的发展历程、娱乐系统的主流操作系统(OS)、系统框架和主要功能模块等方面对车载娱乐系统进行一个介绍。
一、娱乐系统发展历程
娱乐系统从面世发展至今,主要经历了以下几个发展阶段:
1.收音机/磁带/CD时代:车载收音机开创了车载娱乐的新时代,之后以CD、VCD等为代表的车载娱乐设备相继面世,此阶段娱乐系统只是纯粹的播放音乐功能;
2.支持丰富的多媒体、带导航功能:支持多媒体资源越来越丰富,开始带导航功能;
3.能够上网的,集互联,控制于一身的车联网系统:除了更加增强的影音娱乐,结合TBOX等设备,信息娱乐系统迈入车联网时代,除了能够上网,还能进行车身的控制,例如控制车窗,空调,座椅等,此外通过各式各样的传感器,还增加了汽车全景可视系统、汽车驾驶辅助系统;
4.智能座舱:结合了车内更多的产品例如仪表、空调控制面板等为一体,更加智能,提供的功能也越来越丰富,视听、资讯、车载卡拉OK、语音聊天,甚至是游戏等。
二、主流的车载OS
信息娱乐系统的OS主要有以下几类:
1.WinCE系统:WindowsCE操作系统是在PCWindows操作系统基础上研发而来的车载OS,对硬件要求不高,在传统车载导航领域应用广泛,但是,随着需求的增多,用户需求的改变,其他操作系统的成熟,WinCE高度模块化的开发流程,使得开发用户越来越少,应用越来越匮乏,所以WinCE也慢慢退出了车载OS的舞台。
3.Linux系统:Linux是一个发展多年,成熟稳定的OS,广泛应用于服务器、云计算、超级计算机、银行等领域,全世界的开发者基于Linux内核,不断开发完善,成为当下非常安全、稳定的操作系统之一。最重要的,Linux还是开源免费的。基于Linux成熟版本开发的定制化系统,既可以用作驱动安全件的ADAS、仪表显示系统,也可以用于信息娱乐系统。采用Linux的车型有:FordSync,BMWX系列新款等。
5.华为OS:鸿蒙OS(英文:HarmonyOS),在2019年8月9日,华为在东莞举行华HDC2019开发者大会,正式发布操作系统鸿蒙OS。华为称鸿蒙OS是一款“面向未来”的操作系统,一款基于微内核的面向全场景的分布式操作系统,它将适配手机、平板、电视、智能汽车、可穿戴设备等多终端设备。
6.阿里OS:AliOS是基于LinuxKernel研发的驱动万物智能的操作系统,适用于多种设备类型,如物联网设备、手机、平板电脑、电视、车载系统等。AliOS2.0系统在感知、交互、应用、平台、安全五个领域实现了突破。目前上汽荣威系列车型采用的是阿里OS的车载娱乐系统。
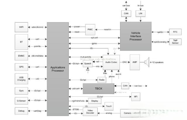
三、车载娱乐系统框架
车载信息娱乐系统框架分为硬件和软件两部分。硬件框架主要由主CPU(也叫SOC)+MCU以及外围的设备控制、电源模块、音视频频编解码、蓝牙模块等构成,有些高端系统会选择双主CPU+MCU的架构,OS以及各种应用的处理都在CPU上,MCU主要是用来控制和车内网络的通信,主流的CPU芯片有飞思卡尔的I.MAX6/8和TI的jacinto5/7等,MCU芯片主要有瑞萨的RH850等,单个信息娱乐系统硬件架构图如下,智能座舱架构后面单独介绍:

四、主要功能模块:
信息娱乐系统包含的主要功能模块有:
1.多媒体:收音机、USB/AUX等外接设备、蓝牙音频、在线音乐APP、在线电台、卡拉OK等提供多媒体资源的应用
2.导航:地图显示,路径规划等基本导航功能,以及车队行驶/路书等新型功能,可分为本地离线导航应用和在线导航
3.connectivity连接模块:蓝牙/WiFi连接功能
5.人机交互:触屏、按键、语音、手势、人脸识别等用来和车机进行交互
6.车身信息显示和控制:车门、车窗、空调、座椅、空气净化器等状态显示以及通过HMI进行控制
7.ADAS等辅助驾驶功能:倒车影像、全景影像、ADAS、自动泊车等
8.社交应用模块:微信、抖音等第三方车载APP实现车内社交
五、发展趋势:在未来几年汽车车机还将继续进化,或许会延续以下几个趋势,5G网络将会助力车机系统实现更多的联网功能;导航、人与人沟通和娱乐功能都将得到进一步的丰富与增强,类似奥迪推出的VR体验功能甚至也可能基于高速网络实时更新,提升互动感。随着互联网公司与汽车厂商的合作进一步深化,车机的软硬件和交互逻辑都将迅速增强。在各方面的通力合作之下,自动驾驶甚至未来交通的新模式都很可能提前到来,车机将会成为每台车都必备的“智能化大脑”。
2023-10-18 13:28:44
2023-10-18 13:26:29
2023-10-18 13:24:15
2023-10-18 13:22:00
2023-10-18 13:19:46
2023-10-18 13:17:31
2023-10-18 13:15:16
2023-10-16 23:39:58
2023-10-16 23:37:43
2023-10-16 23:35:28
2023-10-16 23:33:14
2023-10-16 23:30:59
2023-10-16 23:28:46
2023-10-16 23:26:30
2023-10-16 23:24:16
2023-10-16 23:22:01
2023-10-16 23:19:47
2023-10-16 00:45:29
2023-10-16 00:43:14
2023-10-16 00:41:00