​朋友圈晒账单算什么?晒晒自己的车品才有意思

​朋友圈晒账单算什么?晒晒自己的车品才有意思

朋友圈晒账单算什么?晒晒自己的车品才有意思 千呼万唤始出来,2019年支付宝账单终于来了,因为网友们热情的狂晒,微博热搜也给安排上了。 细数历年的账单,从最早的晒消费总额...

2023-10-18 13:35:27

​车载摄像头概述

​车载摄像头概述

车载摄像头概述 车载摄像头是自动驾驶汽车的重要传感器,主要包括镜片、滤光片、CMOS、PCBA、DSP和其他封装、保护材料等。不同于手机摄像头,车载摄像头的模组工艺难度较大,其需...

2023-10-18 13:33:13

​车载信息娱乐系统介绍

​车载信息娱乐系统介绍

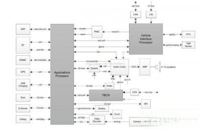
车载信息娱乐系统介绍 车载信息娱乐系统,顾名思义就是为车内人员提供信息娱乐功能的系统,娱乐系统从最早期的只有收音机和蓝牙电话功能且无屏幕,发展到如今功能越来越多,屏...

2023-10-18 13:30:58

​豪华紧凑SUV大横评,20万-40万元的年轻之选!(中)

​豪华紧凑SUV大横评,20万-40万元的年轻之选!(中)

豪华紧凑SUV大横评,20万-40万元的年轻之选!(中) 我们的豪华紧凑SUV大横评选取了目前比较新的四款车和一款老当益壮的 宝马X1 ,上集已经就外观和内饰做了详细的解读。这一集我们...

2023-10-18 13:28:44

​触目惊心!又一吉利新能源汽车自燃,销量大压力也大

​触目惊心!又一吉利新能源汽车自燃,销量大压力也大

触目惊心!又一吉利新能源汽车自燃,销量大压力也大 广告越炫,打脸越疼。巨大销量的背后,吉利新能源汽车频繁的自燃事件变得越来越不容忽视。而其改善口碑与形象的重要手段,...

2023-10-18 13:26:29

​奔腾T90导购:有品质有诚意的10万级SUV 才是家用车好选择

​奔腾T90导购:有品质有诚意的10万级SUV 才是家用车好选择

奔腾T90导购:有品质有诚意的10万级SUV 才是家用车好选择 10万级SUV是自主品牌的主战场, 哈弗H6 、 长安CS75 、 荣威RX5 都是民众耳熟能详的车型,近日,一汽奔腾在这一细分市场也推出...

2023-10-18 13:24:15

​触电一千四百匹的翼装电马,实拍福特Mustang Mach-E 1400

​触电一千四百匹的翼装电马,实拍福特Mustang Mach-E 1400

触电一千四百匹的翼装电马,实拍福特Mustang Mach-E 1400 【EV视界静态实拍】去年,笔者在赛道上感受到了福特MustangMach-EGT所带来酣畅淋漓的快感,其最大359kW的功率和最大860N·m扭矩,使其...

2023-10-18 13:22:00

​敢去穿越罗布泊的城市SUV 北京现代第五代途胜L泰稳辣

​敢去穿越罗布泊的城市SUV 北京现代第五代途胜L泰稳辣

敢去穿越罗布泊的城市SUV 北京现代第五代途胜L泰稳辣 日前,资深汽车媒体人马宁驾驶着一辆未经改装的北京现代第五代 途胜 ( 询价 | 图片 | 参数 ) L 8AT车型,成功完成了罗布泊穿越挑...

2023-10-18 13:19:46

​新款福特领裕6座SUV,做你的家庭避风港,懂你的内心所想

​新款福特领裕6座SUV,做你的家庭避风港,懂你的内心所想

新款福特领裕6座SUV,做你的家庭避风港,懂你的内心所想 近几年,国内市场对于中大型SUV的需求量越来越高,市场内的新出的各种中大型SUV也在不断的内卷。但是绝大部分的中大型S...

2023-10-18 13:17:31

​铃木Ignis,搭载1.2升四缸发动机,进口小型SUV车型

​铃木Ignis,搭载1.2升四缸发动机,进口小型SUV车型

铃木Ignis,搭载1.2升四缸发动机,进口小型SUV车型 这台车铃木的ignis,中文名就是音译过来的叫英格尼斯,那大家知道铃木在造小车上面,确实有自己独到的建树,比国内卖得好的有铃...

2023-10-18 13:15:16

​即将上市的3款重磅SUV!3.0T V6+9AT四驱,长城版劳斯莱斯也来了

​即将上市的3款重磅SUV!3.0T V6+9AT四驱,长城版劳斯莱斯也来了

即将上市的3款重磅SUV!3.0T V6+9AT四驱,长城版劳斯莱斯也来了 SUV是近年来汽车市场上最受欢迎的车型之一,它们以高大的车身、强劲的动力、宽敞的空间和优异的越野性能吸引了众多消...

2023-10-16 23:39:58

​最新SUV油耗排名:1-123名,荣放、途岳低于8个,油耗最高12.27L

​最新SUV油耗排名:1-123名,荣放、途岳低于8个,油耗最高12.27L

最新SUV油耗排名:1-123名,荣放、途岳低于8个,油耗最高12.27L 导读:在国内,油耗是一个“经久不衰”的话题,很多人觉得油耗很重要,毕竟都是后期支出,属于真金白银,但是也有一...

2023-10-16 23:37:43

​事业单位开什么车好 适合单位职工开的5款车 尊贵典雅彰显身份

​事业单位开什么车好 适合单位职工开的5款车 尊贵典雅彰显身份

事业单位开什么车好 适合单位职工开的5款车 尊贵典雅彰显身份 事业单位人员开什么车好?其实事业单位里的职工和公务员一样,都是普通老百姓眼中的“金饭碗”,但事业单位里的人...

2023-10-16 23:35:28

​15万左右买什么车好?上汽大众凌渡L(lamando L)至高优惠3万元

​15万左右买什么车好?上汽大众凌渡L(lamando L)至高优惠3万元

15万左右买什么车好?上汽大众凌渡L(lamando L)至高优惠3万元 上汽大众 凌渡 ( 询价 | 图片 | 参数 ) L(lamando L)自亮相起,就凭借“不大众”的外观设计吸引了众多媒体和消费者的目光,让上汽...

2023-10-16 23:33:14

​大众探戈深度评测:颜值帅气,是大众最便宜SUV,但性价比欠缺!

​大众探戈深度评测:颜值帅气,是大众最便宜SUV,但性价比欠缺!

大众探戈深度评测:颜值帅气,是大众最便宜SUV,但性价比欠缺! 大众作为国内最热销的合资品牌,甚至曾经以轿车的销量而登顶国内汽车销售市场第一的宝座。但是随着近几年国内...

2023-10-16 23:30:59

​大众旗舰版SUV推出开放版,不到5秒,巨帅

​大众旗舰版SUV推出开放版,不到5秒,巨帅

大众旗舰版SUV推出开放版,不到5秒,巨帅 新一代的途锐R发布了,这款新车拥有大众汽车的多项创新,技术亮点十足。有人说这“R”不是纯粹的,但他不是贬义的,这辆新车有什么吸引...

2023-10-16 23:28:46

​揭秘上半年国产SUV销量榜,9款车突破6万辆大关,你猜中哪些?

​揭秘上半年国产SUV销量榜,9款车突破6万辆大关,你猜中哪些?

揭秘上半年国产SUV销量榜,9款车突破6万辆大关,你猜中哪些? 【引言】 近年来,随着新能源市场的蓬勃发展,国产SUV市场呈现出持续增长的势头。据乘联会数据显示,2023年上半年,...

2023-10-16 23:26:30

​8月SUV销量排行前十,国产占6款,大众出局

​8月SUV销量排行前十,国产占6款,大众出局

8月SUV销量排行前十,国产占6款,大众出局 #观点创作营第二季# 八月份SUV的销量排行榜已经出来了,那我大致看了一下, 发现 了一个很有意思的问题,前十里面是没有大众,而日系仅...

2023-10-16 23:24:16

​不一样的越野范儿!这几款新能源硬派SUV太酷啦

​不一样的越野范儿!这几款新能源硬派SUV太酷啦

不一样的越野范儿!这几款新能源硬派SUV太酷啦 如果您对硬派SUV情有独钟,但又想搭上新能源的“快车”,那么本期介绍的这几款车型一定不要错过,它们将越野和低碳的融合进行了大...

2023-10-16 23:22:01

​日德美法系和国产车,各有什么优缺点?一次帮你整理清楚

​日德美法系和国产车,各有什么优缺点?一次帮你整理清楚

日德美法系和国产车,各有什么优缺点?一次帮你整理清楚 人有人设,车有车设!真正了解每款车的人少之又少,所以大多数人买车还是先从第一印象出发,那么日系、德系、美系、法...

2023-10-16 23:19:47

​中大型SUV油耗最新排名1-67名,最低是RX,普拉多、发现高于12个

​中大型SUV油耗最新排名1-67名,最低是RX,普拉多、发现高于12个

中大型SUV油耗最新排名1-67名,最低是RX,普拉多、发现高于12个 本文将为您呈现最新的中大型SUV油耗排行榜。在国内,中大型SUV市场在外观、动力和安全性能方面拥有优势,但受到油耗...

2023-10-16 00:45:29

​这五款国产SUV堪称性价比之王!价格实惠销量好,13万就能买2.0T

​这五款国产SUV堪称性价比之王!价格实惠销量好,13万就能买2.0T

这五款国产SUV堪称性价比之王!价格实惠销量好,13万就能买2.0T 现在国产车市场规模是越来越大,发展的速度堪比“飞机的速度 ”,车型种类也是多种多样,像SUV和轿车车型推出过不...

2023-10-16 00:43:14

​最速SUV盘点,2.6秒破百,2款国产上榜,21万能秒百万跑车!

​最速SUV盘点,2.6秒破百,2款国产上榜,21万能秒百万跑车!

最速SUV盘点,2.6秒破百,2款国产上榜,21万能秒百万跑车! 随着新能源汽车的普及,不少汽车的零百加速已经能做到6秒以内,即便在国内时常都会处于拥堵的路况,很难体验到零百加...

2023-10-16 00:41:00

​真惨,6月SUV降价排行榜,皓影第19,RAV4荣放第27,本田CR-V垫底

​真惨,6月SUV降价排行榜,皓影第19,RAV4荣放第27,本田CR-V垫底

真惨,6月SUV降价排行榜,皓影第19,RAV4荣放第27,本田CR-V垫底 6月,可以说是传统汽车市场的淡季,在这个时间周期内,以往受到消费者热捧的SUV也不例外,销量不容乐观。在面对竞争...

2023-10-16 00:38:45

​50万买什么车好呢?

​50万买什么车好呢?

50万买什么车好呢? 五十万左右买什么车比较好?上了五十万的车,必定要品牌的支撑力足够才会卖得好,毕竟很多国内消费者都会非常注重面子,所以花几十万买一个不知名的冷门品...

2023-10-16 00:36:31

​动力就是硬实力 全新创酷RS领衔的“钢炮SUV”怎么选?

​动力就是硬实力 全新创酷RS领衔的“钢炮SUV”怎么选?

动力就是硬实力 全新创酷RS领衔的“钢炮SUV”怎么选? 年轻人买车的硬核条件是什么?说颜值的我们先等等,虽然颜值重要,但要说到“硬核”的话,我想动力一定是大家最关注的部分...

2023-10-16 00:34:16

​9月份将上市的五款SUV,个个都有“绝活”,谁才是最大的黑马?

​9月份将上市的五款SUV,个个都有“绝活”,谁才是最大的黑马?

9月份将上市的五款SUV,个个都有“绝活”,谁才是最大的黑马? “金九银十”是国内车市传统意义上的销售旺季,也是各大车企扎堆上市新车的一个时间段。据出行局了解,9月份将会...

2023-10-16 00:32:01

​SUV油耗最新排名:1-125名,探歌、荣放前十,哈弗H6、CR-V上榜

​SUV油耗最新排名:1-125名,探歌、荣放前十,哈弗H6、CR-V上榜

SUV油耗最新排名:1-125名,探歌、荣放前十,哈弗H6、CR-V上榜 在国内,“油耗”是一个经久不衰的话题,有人觉得动力跟油耗成正比,家用车一年开不了多少公里,不用太在乎油耗。也有...

2023-10-16 00:29:47

​20万级国产SUV硬杠:长安UNI-K对比星越L,你更中意谁

​20万级国产SUV硬杠:长安UNI-K对比星越L,你更中意谁

20万级国产SUV硬杠:长安UNI-K对比星越L,你更中意谁 近年来国内SUV市场可以说是相当的火热,尤其是自主品牌SUV车型越来越内卷,从今年10月份SUV市场的销量来看,前十的名单中自主品...

2023-10-16 00:27:33

​8D魔幻之都,无人驾驶也不迷路,这款车究竟有什么来头?

​8D魔幻之都,无人驾驶也不迷路,这款车究竟有什么来头?

8D魔幻之都,无人驾驶也不迷路,这款车究竟有什么来头? 众所周知,目前我国的新能源汽车智能化程度越来越高,很多车型都带有智能自动无人驾驶功能,然而,无论这些车型宣传得...

2023-10-16 00:25:18